FNYBUFB20LLS
Can't find what you're looking for? Go to the Product Selector
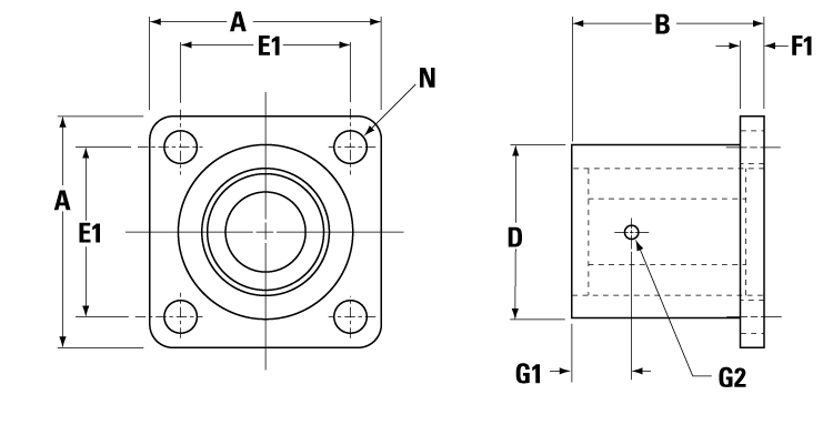
直線軸承, Bushing, Pillow Block, FluoroNyliner, 1.25 英寸, 閉合型, 非自調心, 補償內徑, 耐腐蝕, 簡易密封; 配合使用 1.25 英寸 直徑 L級 端部支撐應用中的軸
- 用于末端支撐軸的封閉軸承座。
- 用于L級碳鋼或不銹鋼導向軸。
- 每個軸承座中都有出廠安裝的Fluoronyliner襯套軸承
- 用于末端支撐軸的閉合型軸承座。
